
作为传统的进口轴承代理商,鼎力晟业以广州为基地,全方位展开与SKF公司的合作,为本地SKF 625/HR11TN轴承提供强大的货源支持,并迅速推广到全国各地,经过多年的努力,625/HR11TN轴承已成为我们的主导产品之一。
型号:625/HR11TN
品牌:SKF
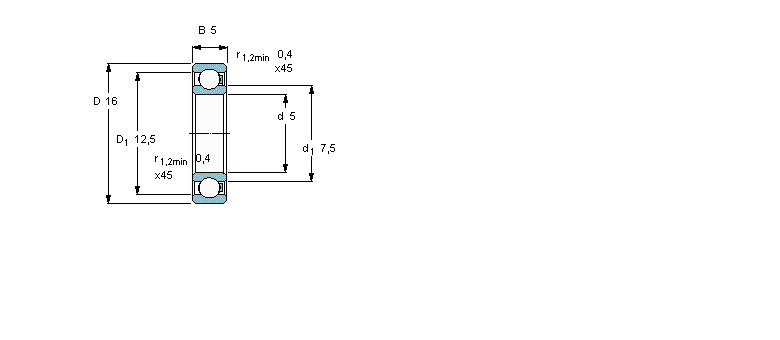
内径:5
外径:16
厚度:5
系列:聚合物球轴承,单列球轴承, POM/POM/stainless steel/PA66
【
手机版 625/HR11TN轴承
点击量
更新日期:2021/12/28
】
电话:020-36026999 传真:020-36705678 服务热线:18924187999 邮箱:sales@gzbearing.cn
| 聚合物球轴承,单列球轴承, POM/POM/stainless steel/PA66 | ||||||||
|
|
||||||||
| 主要数据尺寸 | 负荷能力 | 额定速度 | 体积 | 型号 | ||||
| d | D | B | 动态 1) | 静态 2) | 最大 3) | 最大 | - | |
| 1) above 50 °C and/or above 20 % | 3) Consider load carrying | |||||||
| of max speed rating consider | capability reduction according | |||||||
| reduction according to diagram | to diagram | |||||||
| 2) above 50 °C consider | ||||||||
| reduction according to diagram | ||||||||
|
|
||||||||
| mm | kN | r/min | kg | - | ||||
|
|
||||||||
| 5 | 16 | 5 | 0,065 | 0,045 | 3050 | 0,0014 | 625/HR11TN | |