
我们不仅提供SKF 53322M轴承,还提供SKF品牌的其他品牌产品,以及SKF 53322M轴承的替换型号,万千种型号,任您选择。
型号:53322M
品牌:SKF
系列:推力球轴承, 单向,带球面轴承座垫圈
【
手机版 53322M轴承
点击量
更新日期:2021/12/28
】
电话:020-36026999 传真:020-36705678 服务热线:18924187999 邮箱:sales@gzbearing.cn
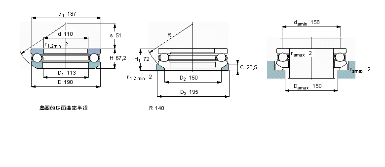
| 推力球轴承, 单向,带球面轴承座垫圈 | ||||||||||||
| 公差 , 参见文字 | ||||||||||||
| 推荐配合 | ||||||||||||
| 轴和轴承座公差 | ||||||||||||
|
|
||||||||||||
| 主要数据尺寸 | 基本负荷额定值 | 疲劳负荷限值 | 最小负荷系数 | 额定速度 | 体积 | 型号 | ||||||
| 动态 | 静态 | 参照速度 | 限制速度 | 轴承 +垫圈 | 轴承 | 基座垫圈 | ||||||
| d | D | H1 | C | C0 | Pu | A | ||||||
|
|
||||||||||||
| mm | kN | kN | - | r/min | kg | - | ||||||
|
|
||||||||||||
| 110 | 190 | 72 | 281 | 815 | 24,5 | 32 | 1200 | 1700 | 9,10 | 53322 M | U 322 | |