
作为传统的进口轴承代理商,鼎力晟业以广州为基地,全方位展开与SKF公司的合作,为本地SKF 24080ECCK30J/W33轴承提供强大的货源支持,并迅速推广到全国各地,经过多年的努力,24080ECCK30J/W33轴承已成为我们的主导产品之一。
型号:24080ECCK30J/W33
品牌:SKF
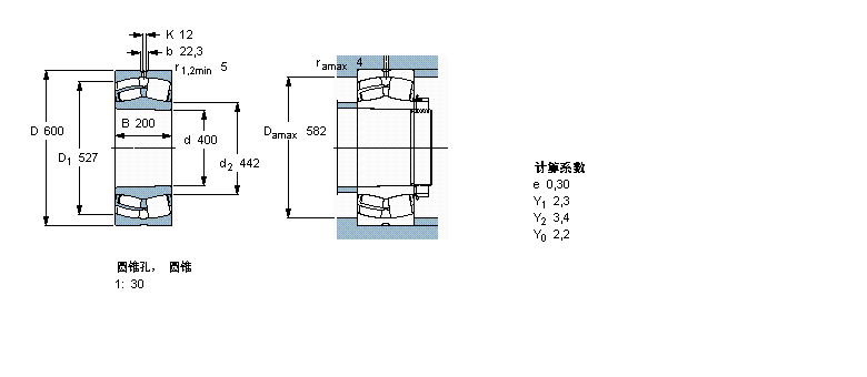
内径:400
外径:600
厚度:200
系列:球面滚子轴承, 圆柱和圆锥孔, 圆锥型内孔, 无密封件
【
手机版 24080ECCK30J/W33轴承
点击量
更新日期:2021/12/28
】
电话:020-36026999 传真:020-36705678 服务热线:18924187999 邮箱:sales@gzbearing.cn
| 球面滚子轴承, 圆柱和圆锥孔, 圆锥型内孔, 无密封件 | ||||||||||
| 公差 , 参见文字 | ||||||||||
| 径向内部间隙, 圆柱型内孔 , 圆锥型内孔, 无密封件 , 参见文字 | ||||||||||
| 推荐配合 | ||||||||||
| 轴和轴承座公差 | ||||||||||
|
|
||||||||||
| 主要数据尺寸 | 基本负荷额定值 | 疲劳负荷限值 | 额定速度 | 体积 | 型号 | |||||
| 动态 | 静态 | 参照速度 | 限制速度 | |||||||
| d | D | B | C | C0 | Pu | * - SKF Explorer 轴承 | ||||
|
|
||||||||||
| mm | kN | kN | r/min | kg | - | |||||
|
|
||||||||||
| 400 | 600 | 200 | 4300 | 8000 | 560 | 630 | 900 | 200 | 24080 ECCK30J/W33 * | |
N2306轴承 GBRI223520UU轴承 7315AC/DF轴承 20313-K-MB-C3+H313轴承 49580/49520轴承 239/600CA/W33轴承 7011C/DB轴承 6212-RS轴承 NJ2238E+HJ2238E轴承 2306K轴承 7217BDF轴承 RNA4876轴承 39591/39520轴承 6316NK轴承 22336-K-MB+AH2336G轴承 NKI5/12TN轴承 53338X轴承 NJ256轴承 NJ2307+HJ2307轴承 37431/37625-B轴承