
SKF 23172CC/W33轴承是鼎力晟业长期代理的产品,鼎力晟业与SKF公司具有长期的23172CC/W33轴承采购计划,可以为国内用户提供足够数量的SKF 23172CC/W33轴承,让您的工厂无忧运转。
型号:23172CC/W33
品牌:SKF
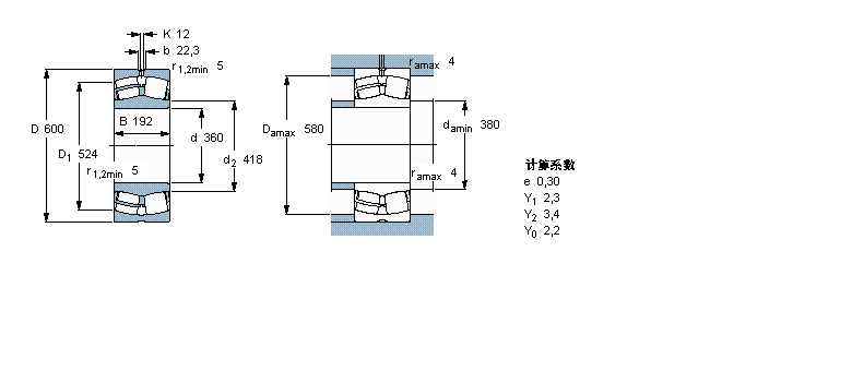
内径:360
外径:600
厚度:192
系列:球面滚子轴承, 圆柱和圆锥孔, 圆柱型内孔, 无密封件
【
手机版 23172CC/W33轴承
点击量
更新日期:2021/12/28
】
电话:020-36026999 传真:020-36705678 服务热线:18924187999 邮箱:sales@gzbearing.cn
| 球面滚子轴承, 圆柱和圆锥孔, 圆柱型内孔, 无密封件 | ||||||||||
| 公差 , 参见文字 | ||||||||||
| 径向内部间隙, 圆柱型内孔 , 圆锥型内孔, 无密封件 , 参见文字 | ||||||||||
| 推荐配合 | ||||||||||
| 轴和轴承座公差 | ||||||||||
|
|
||||||||||
| 主要数据尺寸 | 基本负荷额定值 | 疲劳负荷限值 | 额定速度 | 体积 | 型号 | |||||
| 动态 | 静态 | 参照速度 | 限制速度 | |||||||
| d | D | B | C | C0 | Pu | * - SKF Explorer 轴承 | ||||
|
|
||||||||||
| mm | kN | kN | r/min | kg | - | |||||
|
|
||||||||||
| 360 | 600 | 192 | 4300 | 6950 | 490 | 750 | 1000 | 220 | 23172 CC/W33 * | |
33022JR轴承 LSL192316轴承 W61800-2RS1轴承 NK45/20A轴承 22315EK+H2315轴承 2×7411BGBM轴承 EGBZ2624-E40轴承 RCJTY1-7/16轴承 32314轴承 23168-2CS5/VT143轴承 24196ECA/W33轴承 BTM80A/HCP4CDBB轴承 6210-2Z轴承 6210ZZN轴承 GIKL20-PW轴承 52312轴承 NCS3220轴承 7332BDB轴承 QJ218N2MPA轴承 596-S/592D轴承