
SKF 23140CC/W33轴承是鼎力晟业长期代理的产品,鼎力晟业与SKF公司具有长期的23140CC/W33轴承采购计划,可以为国内用户提供足够数量的SKF 23140CC/W33轴承,让您的工厂无忧运转。
型号:23140CC/W33
品牌:SKF
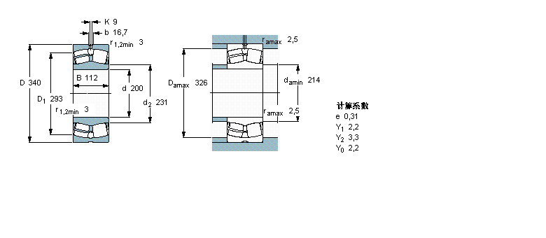
内径:200
外径:340
厚度:112
系列:球面滚子轴承, 圆柱和圆锥孔, 圆柱型内孔, 无密封件
【
手机版 23140CC/W33轴承
点击量
更新日期:2021/12/28
】
电话:020-36026999 传真:020-36705678 服务热线:18924187999 邮箱:sales@gzbearing.cn
| 球面滚子轴承, 圆柱和圆锥孔, 圆柱型内孔, 无密封件 | ||||||||||
| 公差 , 参见文字 | ||||||||||
| 径向内部间隙, 圆柱型内孔 , 圆锥型内孔, 无密封件 , 参见文字 | ||||||||||
| 推荐配合 | ||||||||||
| 轴和轴承座公差 | ||||||||||
|
|
||||||||||
| 主要数据尺寸 | 基本负荷额定值 | 疲劳负荷限值 | 额定速度 | 体积 | 型号 | |||||
| 动态 | 静态 | 参照速度 | 限制速度 | |||||||
| d | D | B | C | C0 | Pu | * - SKF Explorer 轴承 | ||||
|
|
||||||||||
| mm | kN | kN | r/min | kg | - | |||||
|
|
||||||||||
| 200 | 340 | 112 | 1600 | 2360 | 204 | 1500 | 1900 | 43,0 | 23140 CC/W33 * | |
60/1000MB轴承 51428轴承 29372-E-MB轴承 NUP226轴承 7311BEGAM轴承 NJ310ECM轴承 SBB12轴承 6006NR轴承 6338轴承 51407轴承 BCH2216轴承 AOH32/670G轴承 29422-E1轴承 NUP252轴承 RASEA40-N轴承 LR5208-2Z轴承 7204-B-TVP轴承 23984-K-MB+AH3984G轴承 BHA1416Z轴承 6015NSE轴承