
SKF进口轴承代理鼎力晟业为用户提供高品质的23124CCK/W33轴承,无论是工业配套还是维修市场,用户都可以在这里找到货期最短的SKF 23124CCK/W33轴承,确保您的不间断生产。
型号:23124CCK/W33
品牌:SKF
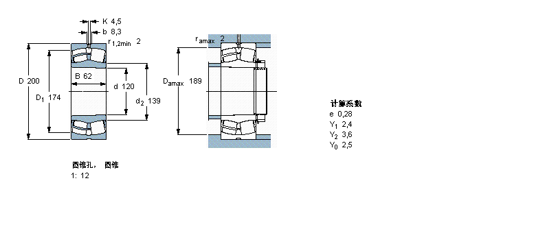
内径:120
外径:200
厚度:62
系列:球面滚子轴承, 圆柱和圆锥孔, 圆锥型内孔, 无密封件
【
手机版 23124CCK/W33轴承
点击量
更新日期:2021/12/28
】
电话:020-36026999 传真:020-36705678 服务热线:18924187999 邮箱:sales@gzbearing.cn
| 球面滚子轴承, 圆柱和圆锥孔, 圆锥型内孔, 无密封件 | ||||||||||
| 公差 , 参见文字 | ||||||||||
| 径向内部间隙, 圆柱型内孔 , 圆锥型内孔, 无密封件 , 参见文字 | ||||||||||
| 推荐配合 | ||||||||||
| 轴和轴承座公差 | ||||||||||
|
|
||||||||||
| 主要数据尺寸 | 基本负荷额定值 | 疲劳负荷限值 | 额定速度 | 体积 | 型号 | |||||
| 动态 | 静态 | 参照速度 | 限制速度 | |||||||
| d | D | B | C | C0 | Pu | * - SKF Explorer 轴承 | ||||
|
|
||||||||||
| mm | kN | kN | r/min | kg | - | |||||
|
|
||||||||||
| 120 | 200 | 62 | 510 | 695 | 71 | 2600 | 3400 | 7,75 | 23124 CCK/W33 * | |
OH3160H轴承 HS7000-E-T-P4S轴承 33216/33216轴承 NK24/16轴承 7021AC/DB轴承 24030CK30轴承 HJ212E轴承 NP417轴承 NKI90/36轴承 NJ2220EM+HJ2220E轴承 32014X/QDF轴承 6017ZZ轴承 PCJ1-3/4轴承 HJ234轴承 NAO12X28X12-IS1轴承 67320轴承 ZAXFM0635轴承 1316-K-M-C3轴承 B71917-E-2RSD-T-P4S轴承 RNA6916轴承