
购买SKF 23060CCK/W33轴承,及23060CCK/W33轴承同系列产品,或者SKF公司其他产品,请联系SKF进口轴承代理-鼎力晟业,我们提供准时高效的服务。
型号:23060CCK/W33
品牌:SKF
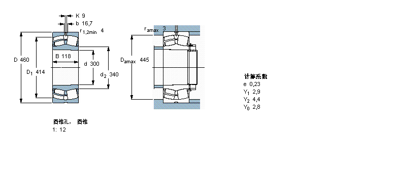
内径:300
外径:460
厚度:118
系列:球面滚子轴承, 圆柱和圆锥孔, 圆锥型内孔, 无密封件
【
手机版 23060CCK/W33轴承
点击量
更新日期:2021/12/28
】
电话:020-36026999 传真:020-36705678 服务热线:18924187999 邮箱:sales@gzbearing.cn
| 球面滚子轴承, 圆柱和圆锥孔, 圆锥型内孔, 无密封件 | ||||||||||
| 公差 , 参见文字 | ||||||||||
| 径向内部间隙, 圆柱型内孔 , 圆锥型内孔, 无密封件 , 参见文字 | ||||||||||
| 推荐配合 | ||||||||||
| 轴和轴承座公差 | ||||||||||
|
|
||||||||||
| 主要数据尺寸 | 基本负荷额定值 | 疲劳负荷限值 | 额定速度 | 体积 | 型号 | |||||
| 动态 | 静态 | 参照速度 | 限制速度 | |||||||
| d | D | B | C | C0 | Pu | * - SKF Explorer 轴承 | ||||
|
|
||||||||||
| mm | kN | kN | r/min | kg | - | |||||
|
|
||||||||||
| 300 | 460 | 118 | 2120 | 3450 | 265 | 1200 | 1500 | 69,5 | 23060 CCK/W33 * | |
XW5轴承 5200AZZ轴承 6312-ZN轴承 NJ418M轴承 6006LLU轴承 SYFL3/4TH轴承 32215CR轴承 32214A轴承 71920CD/DT轴承 1303轴承 CR19X30X7HMSA10RG轴承 6314-2ZN轴承 NNCF4852CV轴承 HS311轴承 NF332M轴承 NAG4912轴承 NU318EM轴承 NJ428轴承 71906C/DB轴承 61806-ZN轴承