
订购SKF 22313EK轴承,请随时与我们联系,我们将根据汇率的波动为您提供实时准确的价格,确保以最优惠的价格为您提供优质的SKF 22313EK轴承。
型号:22313EK
品牌:SKF
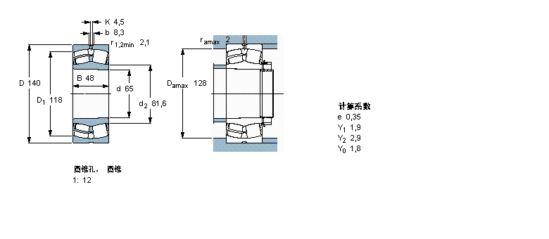
内径:65
外径:140
厚度:48
系列:球面滚子轴承, 圆柱和圆锥孔, 圆锥型内孔, 无密封件
【
手机版 22313EK轴承
点击量
更新日期:2021/12/28
】
电话:020-36026999 传真:020-36705678 服务热线:18924187999 邮箱:sales@gzbearing.cn
| 球面滚子轴承, 圆柱和圆锥孔, 圆锥型内孔, 无密封件 | ||||||||||
| 公差 , 参见文字 | ||||||||||
| 径向内部间隙, 圆柱型内孔 , 圆锥型内孔, 无密封件 , 参见文字 | ||||||||||
| 推荐配合 | ||||||||||
| 轴和轴承座公差 | ||||||||||
|
|
||||||||||
| 主要数据尺寸 | 基本负荷额定值 | 疲劳负荷限值 | 额定速度 | 体积 | 型号 | |||||
| 动态 | 静态 | 参照速度 | 限制速度 | |||||||
| d | D | B | C | C0 | Pu | * - SKF Explorer 轴承 | ||||
|
|
||||||||||
| mm | kN | kN | r/min | kg | - | |||||
|
|
||||||||||
| 65 | 140 | 48 | 340 | 360 | 38 | 3800 | 5000 | 3,65 | 22313 EK * | |
K17×21×17轴承 HM89443/HM89411轴承 7334B/DB轴承 6207RS轴承 6310-ZN轴承 24048BD1轴承 GRAE25-NPP-B-FA125.5轴承 3210B.2RSR.TVH轴承 62306-2RSR轴承 22316BK轴承 NUP213ECJ轴承 HCB71930-E-T-P4S轴承 7306CDF轴承 42381/42587轴承 6222-RS轴承 30315轴承 71938C/DF轴承 2217K轴承 NJ207ECML轴承 RS434819A-2轴承