
订购SKF 2220轴承,请随时与我们联系,我们将根据汇率的波动为您提供实时准确的价格,确保以最优惠的价格为您提供优质的SKF 2220轴承。
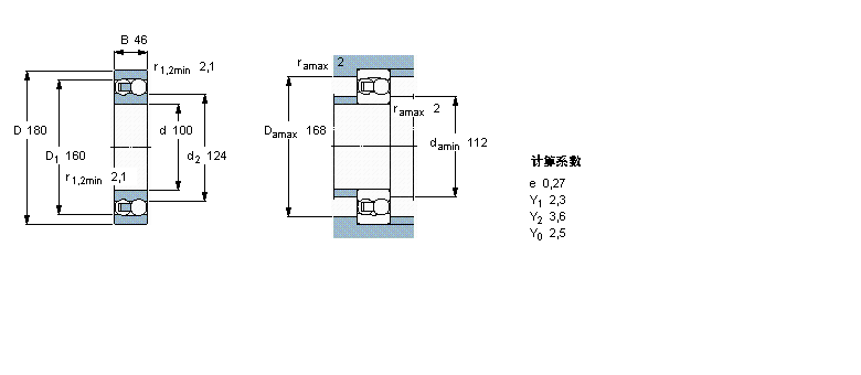
型号:2220
品牌:SKF
内径:100
外径:180
厚度:46
系列:自调心球轴承, 圆柱孔和圆锥孔, 圆柱型内孔, 无密封件
【
手机版 2220轴承
点击量
更新日期:2021/12/28
】
电话:020-36026999 传真:020-36705678 服务热线:18924187999 邮箱:sales@gzbearing.cn
| 自调心球轴承, 圆柱孔和圆锥孔, 圆柱型内孔, 无密封件 | ||||||||||
| 公差 , 参见文字 | ||||||||||
| 径向内部游隙 , 参见文字 | ||||||||||
| 推荐配合 | ||||||||||
| 轴和轴承座公差 | ||||||||||
|
|
||||||||||
| 主要数据尺寸 | 基本负荷额定值 | 疲劳负荷限值 | 额定速度 | 体积 | 型号 | |||||
| 动态 | 静态 | 参照速度 | 限制速度 | |||||||
| d | D | B | C | C0 | Pu | |||||
|
|
||||||||||
| mm | kN | kN | r/min | kg | - | |||||
|
|
||||||||||
| 100 | 180 | 46 | 97,5 | 40,5 | 1,76 | 6700 | 4800 | 5,50 | 2220 | |
51136-MP轴承 NN3056/SPW33轴承 RSF-4838E4轴承 LRBZ263216轴承 6307-2ZN轴承 PBS30轴承 HH224335/HH224310轴承 RNA4864轴承 6301-ZN轴承 45228轴承 6318N轴承 23024-E1-TVPB轴承 6221-2RZ轴承 81218TN轴承 29272轴承 NBX4532轴承 23152RHAK+AH3152轴承 HK5024-2RS轴承 7230B.UO轴承 1307EK轴承