
购买SKF 2204ETN9轴承,及2204ETN9轴承同系列产品,或者SKF公司其他产品,请联系SKF进口轴承代理-鼎力晟业,我们提供准时高效的服务。
型号:2204ETN9
品牌:SKF
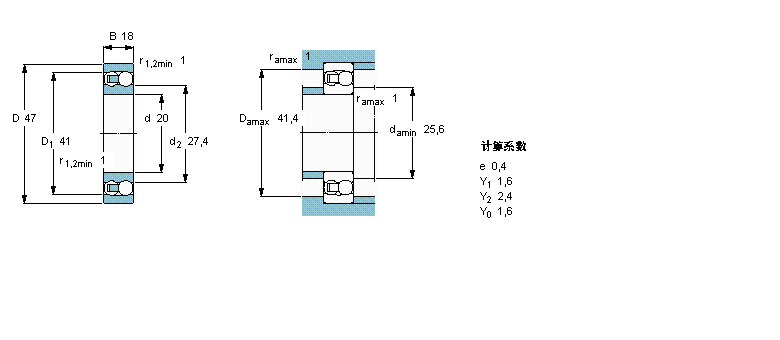
内径:20
外径:47
厚度:18
系列:自调心球轴承, 圆柱孔和圆锥孔, 圆柱型内孔, 无密封件
【
手机版 2204ETN9轴承
点击量
更新日期:2021/12/28
】
电话:020-36026999 传真:020-36705678 服务热线:18924187999 邮箱:sales@gzbearing.cn
| 自调心球轴承, 圆柱孔和圆锥孔, 圆柱型内孔, 无密封件 | ||||||||||
| 公差 , 参见文字 | ||||||||||
| 径向内部游隙 , 参见文字 | ||||||||||
| 推荐配合 | ||||||||||
| 轴和轴承座公差 | ||||||||||
|
|
||||||||||
| 主要数据尺寸 | 基本负荷额定值 | 疲劳负荷限值 | 额定速度 | 体积 | 型号 | |||||
| 动态 | 静态 | 参照速度 | 限制速度 | |||||||
| d | D | B | C | C0 | Pu | |||||
|
|
||||||||||
| mm | kN | kN | r/min | kg | - | |||||
|
|
||||||||||
| 20 | 47 | 18 | 16,8 | 4,15 | 0,22 | 28000 | 20000 | 0,14 | 2204 ETN9 | |
B7002-E-T-P4S轴承 NF232轴承 1206-K-TVH-C3+H206轴承 W60/1.5ZZA轴承 BS2-2224-2CS5K/VT143轴承 61810-2RS轴承 608-Z轴承 7015ACD/DT轴承 61836轴承 628-Z轴承 6815N轴承 23234EASK.M轴承 EWP310轴承 HK0709轴承 6201LLB轴承 SYFJ30TF轴承 6901轴承 RASE1-1/8轴承 6315轴承 47420轴承