
SKF进口轴承代理鼎力晟业为用户提供高品质的1305ETN9轴承,无论是工业配套还是维修市场,用户都可以在这里找到货期最短的SKF 1305ETN9轴承,确保您的不间断生产。
型号:1305ETN9
品牌:SKF
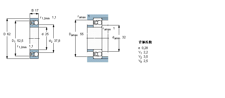
内径:25
外径:62
厚度:17
系列:自调心球轴承, 圆柱孔和圆锥孔, 圆柱型内孔, 无密封件
【
手机版 1305ETN9轴承
点击量
更新日期:2021/12/28
】
电话:020-36026999 传真:020-36705678 服务热线:18924187999 邮箱:sales@gzbearing.cn
| 自调心球轴承, 圆柱孔和圆锥孔, 圆柱型内孔, 无密封件 | ||||||||||
| 公差 , 参见文字 | ||||||||||
| 径向内部游隙 , 参见文字 | ||||||||||
| 推荐配合 | ||||||||||
| 轴和轴承座公差 | ||||||||||
|
|
||||||||||
| 主要数据尺寸 | 基本负荷额定值 | 疲劳负荷限值 | 额定速度 | 体积 | 型号 | |||||
| 动态 | 静态 | 参照速度 | 限制速度 | |||||||
| d | D | B | C | C0 | Pu | |||||
|
|
||||||||||
| mm | kN | kN | r/min | kg | - | |||||
|
|
||||||||||
| 25 | 62 | 17 | 19 | 5,4 | 0,28 | 22000 | 15000 | 0,26 | 1305 ETN9 | |