
126TN9轴承是SKF公司同时面向工业配套和维修市场的产品,鼎力晟业同时代理此两项业务,不仅为批量采购的用户提供优惠的SKF 126TN9轴承,同时也为零散采购用户提供价格优惠的及时供货服务。
型号:126TN9
品牌:SKF
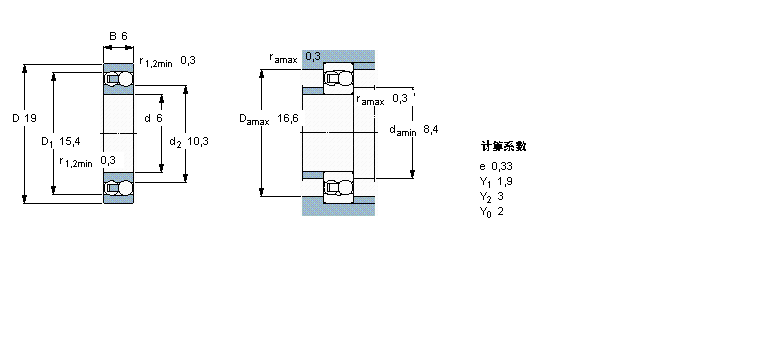
内径:6
外径:19
厚度:6
系列:自调心球轴承, 圆柱孔和圆锥孔, 圆柱型内孔, 无密封件
【
手机版 126TN9轴承
点击量
更新日期:2021/12/28
】
电话:020-36026999 传真:020-36705678 服务热线:18924187999 邮箱:sales@gzbearing.cn
| 自调心球轴承, 圆柱孔和圆锥孔, 圆柱型内孔, 无密封件 | ||||||||||
| 公差 , 参见文字 | ||||||||||
| 径向内部游隙 , 参见文字 | ||||||||||
| 推荐配合 | ||||||||||
| 轴和轴承座公差 | ||||||||||
|
|
||||||||||
| 主要数据尺寸 | 基本负荷额定值 | 疲劳负荷限值 | 额定速度 | 体积 | 型号 | |||||
| 动态 | 静态 | 参照速度 | 限制速度 | |||||||
| d | D | B | C | C0 | Pu | |||||
|
|
||||||||||
| mm | kN | kN | r/min | kg | - | |||||
|
|
||||||||||
| 6 | 19 | 6 | 2,51 | 0,48 | 0,025 | 70000 | 45000 | 0,009 | 126 TN9 | |