
SKF 1214ETN9轴承是鼎力晟业长期代理的产品,鼎力晟业与SKF公司具有长期的1214ETN9轴承采购计划,可以为国内用户提供足够数量的SKF 1214ETN9轴承,让您的工厂无忧运转。
型号:1214ETN9
品牌:SKF
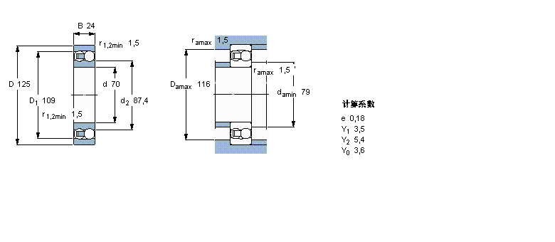
内径:70
外径:125
厚度:24
系列:自调心球轴承, 圆柱孔和圆锥孔, 圆柱型内孔, 无密封件
【
手机版 1214ETN9轴承
点击量
更新日期:2021/12/28
】
电话:020-36026999 传真:020-36705678 服务热线:18924187999 邮箱:sales@gzbearing.cn
| 自调心球轴承, 圆柱孔和圆锥孔, 圆柱型内孔, 无密封件 | ||||||||||
| 公差 , 参见文字 | ||||||||||
| 径向内部游隙 , 参见文字 | ||||||||||
| 推荐配合 | ||||||||||
| 轴和轴承座公差 | ||||||||||
|
|
||||||||||
| 主要数据尺寸 | 基本负荷额定值 | 疲劳负荷限值 | 额定速度 | 体积 | 型号 | |||||
| 动态 | 静态 | 参照速度 | 限制速度 | |||||||
| d | D | B | C | C0 | Pu | |||||
|
|
||||||||||
| mm | kN | kN | r/min | kg | - | |||||
|
|
||||||||||
| 70 | 125 | 24 | 35,8 | 14,6 | 0,75 | 11000 | 7000 | 1,25 | 1214 ETN9 | |
NK7/10TN轴承 6314Z轴承 NU2360ECMA轴承 NKI70/25轴承 GE600-DW-2RS2轴承 K3782-3720轴承 LSL192352-TB轴承 NJ2316EM轴承 HJ421轴承 B7201-E-T-P4S轴承 7319AC/DB轴承 6002/HR11TN轴承 BT4-8060G/HA4VA901轴承 480/473轴承 61934轴承 23236RK+H2336轴承 B7013-E-2RSD-T-P4S轴承 H215轴承 23160B.MB轴承 6201NSE轴承