W619/6-2Z轴承

    SKF

    SKF W619/6-2Z轴承是磐固晟长期经销 的产品,磐固晟与SKF公司具有长期的W619/6-2Z轴承采购计划,可以为国内用户提供足够数量的SKF W619/6-2Z轴承,让您的工厂无忧运转。

    型号:W619/6-2Z
    品牌:SKF
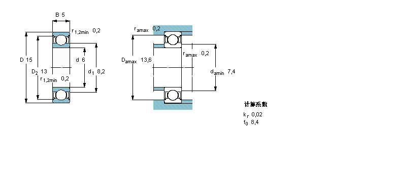
    内径:6
    外径:15
    厚度:5
    系列:深沟球轴承, 单列,不锈钢, 两面防尘罩
    【更新日期:2016/8/3  电脑版 W619/6-2Z轴承

    W619/6-2Z轴承

                         
      深沟球轴承, 单列,不锈钢, 两面防尘罩
                      公差 , 参见文字
                      径向内部游隙 , 参见文字
                      推荐配合
                      轴和轴承座公差
      主要数据尺寸 基本负荷额定值 疲劳负荷限值 额定速度 体积 型号
        动态 静态   参照速度 限制速度
      d D B C C0 Pu        
      mm kN kN r/min kg -
     61551,040,4550,02100000500000,0037W 619/6-2Z

    • 推荐型号