作为传统的进口轴承经销 商,磐固晟以广州为基地,全方位展开与SKF公司的合作,为本地SKF VJ-PDNB211轴承提供强大的货源支持,并迅速推广到全国各地,经过多年的努力,VJ-PDNB211轴承已成为我们的主导产品之一。
型号:VJ-PDNB211
品牌:SKF
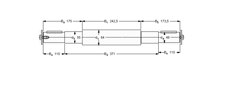
内径:48
外径:55
厚度:175
系列:双轴承单元, 用PDNB单元的轴
【更新日期:2016/8/3 电脑版 VJ-PDNB211轴承】
| 双轴承单元, 用PDNB单元的轴 | ||||||||||
|
|
||||||||||
| 尺寸 | 键 | 质量 | 型号 | |||||||
| da | db | Ba | Bb | Bc | Bd | Be | ||||
|
|
||||||||||
| mm | - | kg | - | |||||||
|
|
||||||||||
| 48 | 55 | 175 | 173,5 | 242,5 | 371 | 110 | 14x9x80 | 10,5 | VJ-PDNB 211 | |