作为传统的进口轴承经销 商,磐固晟以广州为基地,全方位展开与SKF公司的合作,为本地SKF SI70ES-2RS轴承提供强大的货源支持,并迅速推广到全国各地,经过多年的努力,SI70ES-2RS轴承已成为我们的主导产品之一。
型号:SI70ES-2RS
品牌:SKF
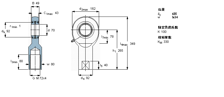
系列:需要维护的杆端, 钢对钢,阴螺纹, 两面密封件
【更新日期:2016/8/3 电脑版 SI70ES-2RS轴承】
| 需要维护的杆端, 钢对钢,阴螺纹, 两面密封件 | |||||||||||
| 公差 , 参见文字 | |||||||||||
| 径向内部游隙 , 参见文字 | |||||||||||
|
|
|||||||||||
| 主要数据尺寸 | 角度倾的 | 基本负荷额定值 | 质量 | 型号 | |||||||
| 动态 | 静态 | 杆端带右或左旋螺纹 | |||||||||
| d | d2 | B | d3 | C1 | h1 | ± | C | C0 | |||
| 6H | |||||||||||
|
|
|||||||||||
| mm | 度数 | kN | kg | - | |||||||
|
|
|||||||||||
| 70 | 162 | 49 | M 72x4 | 43 | 265 | 6 | 315 | 530 | 10,5 | SI 70 ES-2RS | |