磐固晟是SKF进口轴承经销 商,不仅为工业配套用户提供SKF OH3992H轴承,在维修市场也提供足够的支持,是SKF轴承在国内的优质经销商之一,购买SKF OH3992H轴承,磐固晟是您放心的选择。
型号:OH3992H
品牌:SKF
系列:紧定套
【更新日期:2016/8/3 电脑版 OH3992H轴承】
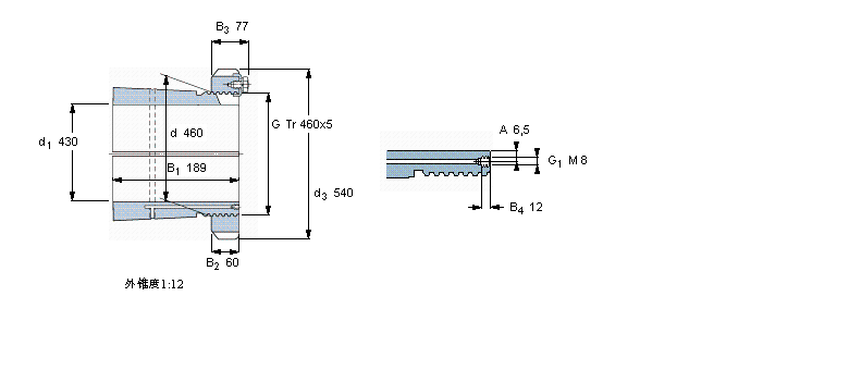
| 紧定套 | ||||||||||
|
|
||||||||||
| 尺寸 | 体积 | 型号 | ||||||||
| 紧定轴套带螺母 | 锁定螺母 | 锁定装置 | 适宜的液压 | |||||||
| d1 | d | d3 | B1 | G | 和锁紧装置 | 螺母 | ||||
|
|
||||||||||
| mm | kg | - | ||||||||
|
|
||||||||||
| 430 | 460 | 540 | 189 | Tr 460x5 | 60,0 | OH 3992 H | HM 3092 | MS 3092-88 | HMV 92 E | |