订购SKF OH3188H轴承,请随时与我们联系,我们将根据汇率的波动为您提供实时准确的价格,确保以最优惠的价格为您提供优质的SKF OH3188H轴承。
型号:OH3188H
品牌:SKF
系列:紧定套
【更新日期:2016/8/3 电脑版 OH3188H轴承】
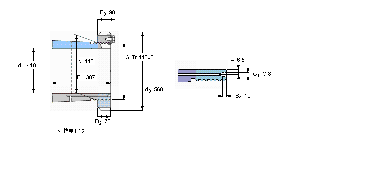
| 紧定套 | ||||||||||
|
|
||||||||||
| 尺寸 | 体积 | 型号 | ||||||||
| 紧定轴套带螺母 | 锁定螺母 | 锁定装置 | 适宜的液压 | |||||||
| d1 | d | d3 | B1 | G | 和锁紧装置 | 螺母 | ||||
|
|
||||||||||
| mm | kg | - | ||||||||
|
|
||||||||||
| 410 | 440 | 560 | 307 | Tr 440x5 | 95,0 | OH 3188 H | HM 3188 | MS 3192-88 | HMV 88 E | |