NUP2213ECP轴承是SKF公司同时面向工业配套和维修市场的产品,磐固晟同时经销 此两项业务,不仅为批量采购的用户提供优惠的SKF NUP2213ECP轴承,同时也为零散采购用户提供价格优惠的及时供货服务。
型号:NUP2213ECP
品牌:SKF
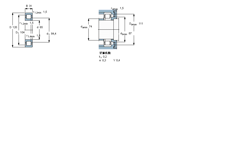
内径:65
外径:120
厚度:31
系列:圆柱滚子轴承, 单列, NUP 设计
【更新日期:2016/8/3 电脑版 NUP2213ECP轴承】
| 圆柱滚子轴承, 单列, NUP 设计 | ||||||||||||
| 公差 , 参见文字 | ||||||||||||
| 径向内部间隙, 圆柱型内孔 , 圆锥型内孔, 无密封件 , 参见文字 | ||||||||||||
| 推荐配合 | ||||||||||||
| 轴和轴承座公差 | ||||||||||||
|
|
||||||||||||
| 主要数据尺寸 | 基本负荷额定值 | 疲劳负荷限值 | 额定速度 | 体积 | 型号 | 适宜的斜挡圈 | ||||||
| 动态 | 静态 | 参照速度 | 限制速度 | 型号 | ||||||||
| d | D | B | C | C0 | Pu | * - SKF Explorer 轴承 | ||||||
|
|
||||||||||||
| mm | kN | kN | r/min | kg | - | - | ||||||
|
|
||||||||||||
| 65 | 120 | 31 | 170 | 180 | 24 | 6300 | 6700 | 1,50 | NUP 2213 ECP * | - | ||