SKF NJ304ECP轴承是磐固晟长期经销 的产品,磐固晟与SKF公司具有长期的NJ304ECP轴承采购计划,可以为国内用户提供足够数量的SKF NJ304ECP轴承,让您的工厂无忧运转。
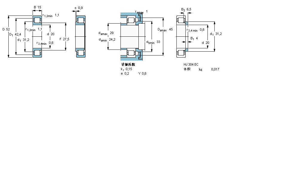
型号:NJ304ECP
品牌:SKF
内径:20
外径:52
厚度:15
系列:圆柱滚子轴承, 单列, NJ 设计
【更新日期:2016/8/3 电脑版 NJ304ECP轴承】
| 圆柱滚子轴承, 单列, NJ 设计 | ||||||||||||
| 公差 , 参见文字 | ||||||||||||
| 径向内部间隙, 圆柱型内孔 , 圆锥型内孔, 无密封件 , 参见文字 | ||||||||||||
| 推荐配合 | ||||||||||||
| 轴和轴承座公差 | ||||||||||||
|
|
||||||||||||
| 主要数据尺寸 | 基本负荷额定值 | 疲劳负荷限值 | 额定速度 | 体积 | 型号 | 适宜的斜挡圈 | ||||||
| 动态 | 静态 | 参照速度 | 限制速度 | 型号 | ||||||||
| d | D | B | C | C0 | Pu | * - SKF Explorer 轴承 | ||||||
|
|
||||||||||||
| mm | kN | kN | r/min | kg | - | - | ||||||
|
|
||||||||||||
| 20 | 52 | 15 | 35,5 | 26 | 3,25 | 15000 | 18000 | 0,17 | NJ 304 ECP * | HJ 304 EC | ||