NJ28/1000ECMP/HA1轴承

    SKF

    作为传统的进口轴承经销 商,磐固晟以广州为基地,全方位展开与SKF公司的合作,为本地SKF NJ28/1000ECMP/HA1轴承提供强大的货源支持,并迅速推广到全国各地,经过多年的努力,NJ28/1000ECMP/HA1轴承已成为我们的主导产品之一。

    型号:NJ28/1000ECMP/HA1
    品牌:SKF
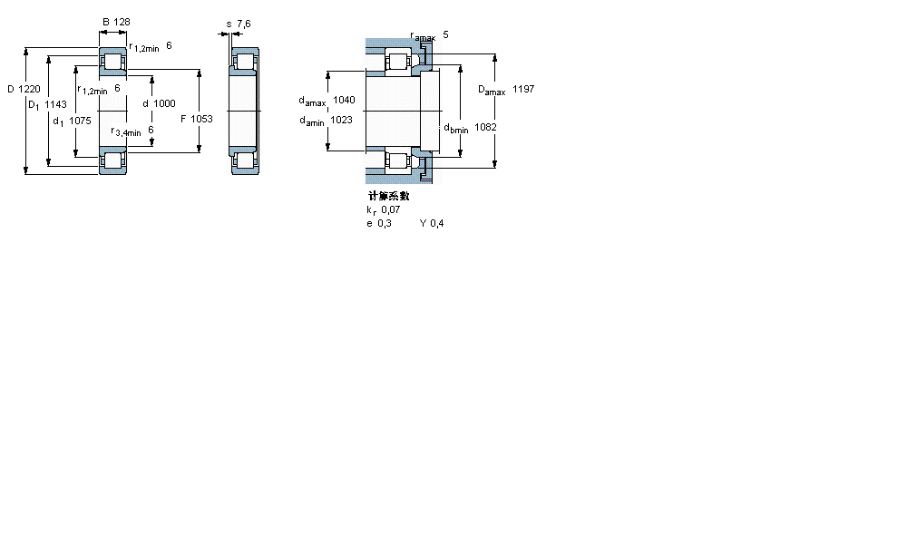
    内径:1000
    外径:1220
    厚度:128
    系列:圆柱滚子轴承, 单列, NJ 设计
    【更新日期:2016/8/3  电脑版 NJ28/1000ECMP/HA1轴承

    NJ28/1000ECMP/HA1轴承

                             
      圆柱滚子轴承, 单列, NJ 设计
                      公差 , 参见文字
                      径向内部间隙, 圆柱型内孔 , 圆锥型内孔, 无密封件 , 参见文字
                      推荐配合
                      轴和轴承座公差
      主要数据尺寸 基本负荷额定值 疲劳负荷限值 额定速度 体积 型号 适宜的斜挡圈  
        动态 静态   参照速度 限制速度     型号  
      d D B C C0 Pu
      mm kN kN r/min kg - -  
     10001220128369010000620400530345NJ 28/1000 ECMP/HA1- 

    • 推荐型号