241/800ECAK30/W33轴承

    SKF

    SKF 241/800ECAK30/W33轴承工业配套用户请注意:批量采购SKF 241/800ECAK30/W33轴承,请至少提前一周与我们联系,长期批量采购请提供年度采购计划,我们将十分感谢您的预见性,我们将提供极为优惠的价格以保障您的权益。

    型号:241/800ECAK30/W33
    品牌:SKF
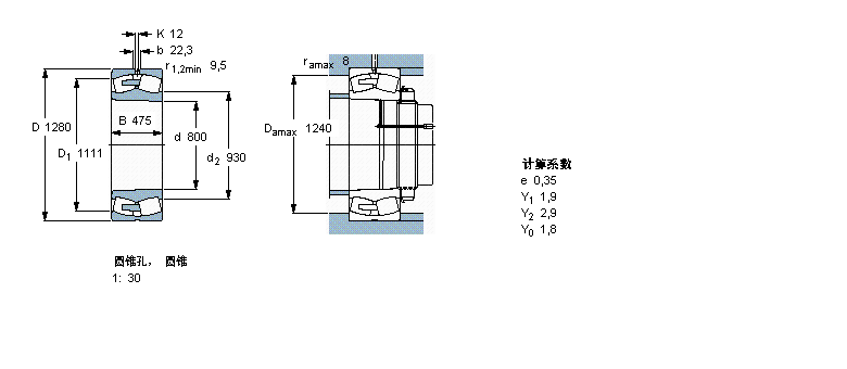
    内径:800
    外径:1280
    厚度:475
    系列:球面滚子轴承, 圆柱和圆锥孔, 圆锥型内孔, 无密封件
    【更新日期:2016/8/3  电脑版 241/800ECAK30/W33轴承

    241/800ECAK30/W33轴承

                         
      球面滚子轴承, 圆柱和圆锥孔, 圆锥型内孔, 无密封件
                  公差 , 参见文字
                  径向内部间隙, 圆柱型内孔 , 圆锥型内孔, 无密封件 , 参见文字
                  推荐配合
                  轴和轴承座公差
      主要数据尺寸 基本负荷额定值 疲劳负荷限值 额定速度 体积 型号
        动态 静态   参照速度 限制速度
      d D B C C0 Pu
      mm kN kN r/min kg -
     8001280475184004050023201402002265241/800 ECAK30/W33

    • 推荐型号