24126-2CS5/VT143轴承

    SKF

    我们不仅提供SKF 24126-2CS5/VT143轴承,还提供SKF品牌的其他品牌产品,以及SKF 24126-2CS5/VT143轴承的替换型号,万千种型号,任您选择。

    型号:24126-2CS5/VT143
    品牌:SKF
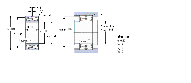
    内径:130
    外径:210
    厚度:80
    系列:球面滚子轴承, 圆柱和圆锥孔, 圆柱型内孔, 两面密封件
    【更新日期:2016/8/3  电脑版 24126-2CS5/VT143轴承

    24126-2CS5/VT143轴承

                         
      球面滚子轴承, 圆柱和圆锥孔, 圆柱型内孔, 两面密封件
                  公差 , 参见文字
                  径向内部间隙, 圆柱型内孔 , 圆锥型内孔, 无密封件 , 参见文字
                  推荐配合
                  轴和轴承座公差
      主要数据尺寸 基本负荷额定值 疲劳负荷限值 额定速度 体积 型号
        动态 静态   参照速度 限制速度
      d D B C C0 Pu * - SKF Explorer 轴承
      mm kN kN r/min kg -
     130210806801000100-53011,024126-2CS5/VT143 *

    • 推荐型号