23168CCK/W33+OH3168H轴承

    SKF

    磐固晟是SKF进口轴承经销 ,销售SKF 23168CCK/W33+OH3168H轴承,不仅具备价格优势,而且在供货及时性、供货能力方面具有比较优势,能在最短的时间内为用户提供原装进口的SKF 23168CCK/W33+OH3168H轴承。

    型号:23168CCK/W33+OH3168H
    品牌:SKF
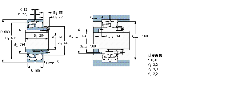
    内径:320
    外径:580
    厚度:190
    系列:球面滚子轴承, 带紧定套的
    【更新日期:2016/8/3  电脑版 23168CCK/W33+OH3168H轴承

    23168CCK/W33+OH3168H轴承

                         
      球面滚子轴承, 带紧定套的
                        公差 , 参见文字
                        径向内部游隙 , 参见文字
                        推荐配合
                        轴和轴承座公差
      主要数据尺寸 基本负荷额定值 疲劳负荷限值 额定速度 体积 型号
        动态 静态   参照速度 限制速度 轴承 + 紧定套
      d1 D B C C0 Pu
        * - SKF Explorer 轴承
      mm kN kN r/min kg -
     32058019042506800480800100025023168 CCK/W33 + OH 3168 H *

    • 推荐型号