22236CC/W33轴承是SKF公司同时面向工业配套和维修市场的产品,磐固晟同时经销 此两项业务,不仅为批量采购的用户提供优惠的SKF 22236CC/W33轴承,同时也为零散采购用户提供价格优惠的及时供货服务。
型号:22236CC/W33
品牌:SKF
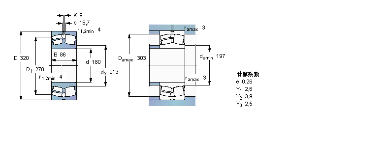
内径:180
外径:320
厚度:86
系列:球面滚子轴承, 圆柱和圆锥孔, 圆柱型内孔, 无密封件
【更新日期:2016/8/3 电脑版 22236CC/W33轴承】
| 球面滚子轴承, 圆柱和圆锥孔, 圆柱型内孔, 无密封件 | ||||||||||
| 公差 , 参见文字 | ||||||||||
| 径向内部间隙, 圆柱型内孔 , 圆锥型内孔, 无密封件 , 参见文字 | ||||||||||
| 推荐配合 | ||||||||||
| 轴和轴承座公差 | ||||||||||
|
|
||||||||||
| 主要数据尺寸 | 基本负荷额定值 | 疲劳负荷限值 | 额定速度 | 体积 | 型号 | |||||
| 动态 | 静态 | 参照速度 | 限制速度 | |||||||
| d | D | B | C | C0 | Pu | * - SKF Explorer 轴承 | ||||
|
|
||||||||||
| mm | kN | kN | r/min | kg | - | |||||
|
|
||||||||||
| 180 | 320 | 86 | 1180 | 1560 | 140 | 1800 | 2600 | 29,5 | 22236 CC/W33 * | |