2207E-2RS1KTN9+H307C轴承

    SKF

    我们不仅提供SKF 2207E-2RS1KTN9+H307C轴承,还提供SKF品牌的其他品牌产品,以及SKF 2207E-2RS1KTN9+H307C轴承的替换型号,万千种型号,任您选择。

    型号:2207E-2RS1KTN9+H307C
    品牌:SKF
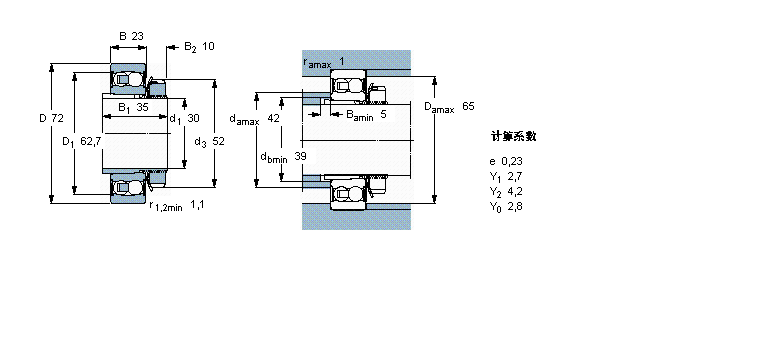
    内径:30
    外径:72
    厚度:23
    系列:自调心球轴承, 带紧定套, 两面密封件
    【更新日期:2016/8/3  电脑版 2207E-2RS1KTN9+H307C轴承

    2207E-2RS1KTN9+H307C轴承

                         
      自调心球轴承, 带紧定套, 两面密封件
                      公差 , 参见文字
                      径向内部游隙 , 参见文字
                      推荐配合
                      轴和轴承座公差
      主要数据尺寸 基本负荷额定值 疲劳负荷限值 额定速度 体积 型号
        动态 静态   参照速度 限制速度 轴承 + 紧定套
      d1 D B C C0 Pu
      mm kN kN r/min kg -
     3072231960,31-63000,552207 E-2RS1 KTN9 + H 307 C

    • 推荐型号